萬向/單向軸承

萬向滾珠

萬向滾珠

萬向滾珠主要用途是讓重物能在平面上輕鬆移動,減少摩擦力並可全向轉向,廣泛應用於製造業的組裝線、物流業的貨物轉移、公共設施(如機場行李區)以及機械設備的工作台等領域。它的應用還可以讓操作更省力,並能取代部分傳統輸送機,提升效率和穩定性。
詳細介紹
< 萬向滾珠 >
  1. 5/8" (5分)萬向滾珠(小)
  2. 1"  (1英吋)萬向滾珠(大)
  3. 其餘規格樣式繁多,敬請另外洽詢...
  • 台灣廠牌: THS萬向滾珠
    萬向滾珠
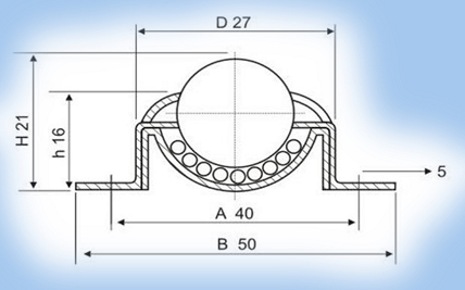
5/8"萬向滾珠

^^^ 5/8" (5分)萬向滾珠(小)_規格如上 ^^^

1"萬向滾珠

^^^ 1" (1英吋)萬向滾珠(大)_規格如上 ^^^